| Status de disponibilidade: | |
|---|---|
| Quantidade: | |
Sinopak
Introdução do Produto – Princípio
Introdução do Produto – Conceito de Design
Introdução do Produto – Composição
Introdução ao produto – Modos
Tecnologia Chave
A unidade de potência é centrada em um conversor de corrente IGBT, que inverte uma tensão CC em uma tensão CA e controla a frequência, amplitude e fase da tensão CA para obter a regulação da potência reativa de saída e funções de filtragem para todo o dispositivo.
O dispositivo de implementação para o sistema abrangente de controle e proteção do gabinete de controle deve fornecer a rápida inspeção e cálculo da capacidade de energia reativa, acionando assim a geração e distribuição de pulsos e realizando proteção em camadas e graduadas para o pacote de equipamentos.
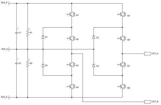
Inovação Característica – Topologia em Cascata de Três Níveis Tipo I
Topologia de ponte H de três níveis tipo I
Forma de onda de saída de cinco níveis de uma ponte H de três níveis Tipo I
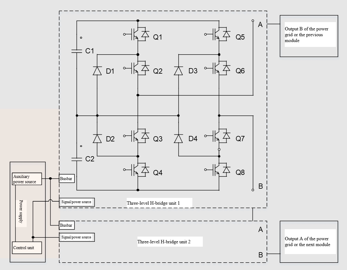
Inovação Característica – Estrutura da Unidade de Potência
Um único módulo está em uma unidade dupla Projeto estrutural “dois em um”. Diferente do convencional unidades dois em um disponíveis no mercado, utiliza uma única placa de controle mestre para obter a saída de controle em cascata de duas pontes completas de três níveis Tipo I.
Topologia de estrutura do módulo de potência
Inovação Característica – Vantagens Estruturais e Inovação
Inovação Característica – Sistema de Controle Mestre
Planejamento de Produto
Introdução do Produto – Princípio
Introdução do Produto – Conceito de Design
Introdução do Produto – Composição
Introdução ao produto – Modos
Tecnologia Chave
A unidade de potência é centrada em um conversor de corrente IGBT, que inverte uma tensão CC em uma tensão CA e controla a frequência, amplitude e fase da tensão CA para obter a regulação da potência reativa de saída e funções de filtragem para todo o dispositivo.
O dispositivo de implementação para o sistema abrangente de controle e proteção do gabinete de controle deve fornecer a rápida inspeção e cálculo da capacidade de energia reativa, acionando assim a geração e distribuição de pulsos e realizando proteção em camadas e graduadas para o pacote de equipamentos.
Inovação Característica – Topologia em Cascata de Três Níveis Tipo I
Topologia de ponte H de três níveis tipo I
Forma de onda de saída de cinco níveis de uma ponte H de três níveis Tipo I
Inovação Característica – Estrutura da Unidade de Potência
Um único módulo está em uma unidade dupla Projeto estrutural “dois em um”. Diferente do convencional unidades dois em um disponíveis no mercado, utiliza uma única placa de controle mestre para obter a saída de controle em cascata de duas pontes completas de três níveis Tipo I.
Topologia de estrutura do módulo de potência
Inovação Característica – Vantagens Estruturais e Inovação
Inovação Característica – Sistema de Controle Mestre
Planejamento de Produto
STATCOM resfriado a ar vs. resfriado a água: qual é o melhor para o seu projeto?
Como escolher o STATCOM refrigerado a ar certo para sua rede de energia?
Quais são as vantagens do STATCOM refrigerado a ar para aplicações industriais?
Por que você deve escolher um STATCOM refrigerado a ar para o seu sistema de energia?